»ê¾÷¿ë¹°·ù±â°è ¸®ÇÁÆ® ÁÖ¹®Á¦ÀÛ Àü¹®±â¾÷ µð¿¥¾¾ÄÚ¸®¾Æ
YOUR BEST PARTNER WITH DMCKOREA

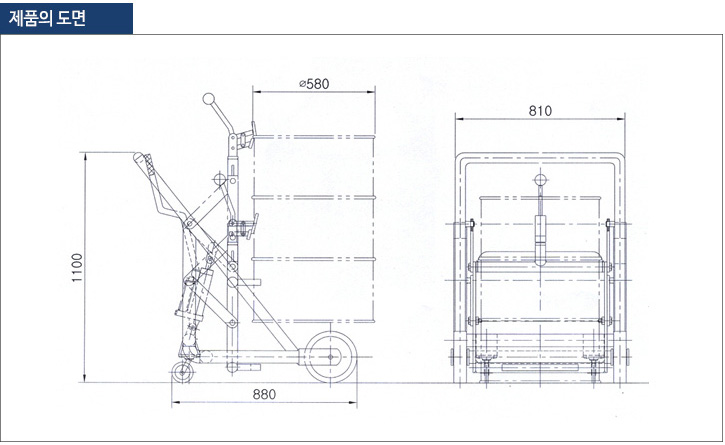
Á¦Ç°¼Ò°³ > 11. µå·³Ãë±ÞÀåºñ-µå·³Ä«